
Аппараты теплообменные с паровым пространством, испарители - ребойлеры
до 9 баллов
20 лет
ООО "НПО "Спецнефтемаш"
Теплообменное оборудование в наличии:
Теплообменные аппараты с паровым пространством – это специальный вид технического оборудования, разработанный с целью выпаривания газов из жидкостей. Сфера применения данного технического оборудования обширна:
- металлургия;
- сельскохозяйственная промышленность;
- нефтехимические, химические и газоперерабатывающие предприятия.
Виды испарителей
Чтобы на химических заводах и в отрасли переработки нефтяной продукции была возможность производить выпаривание технологических сред, используют два типа теплообменников-испарителей:
- с плавающей головкой (ИП);
- с трубами, имеющими У-образную форму (ИУ).
Кожухотрубчатые теплообменники-ребойлеры, имеющие пространство для пара являются практически универсальным техническим оборудованием, которое идеально подходит для снижения температуры воды и различных жидких сред. Это и есть паровое пространство. В качестве вещества, которое выполняет функцию хладагента чаще всего выступает:
- аммиак;
- пропан;
- пропилен и др.
Благодаря специально разработанной конструкции данные аппараты неприхотливы и они могут применяться в условиях умеренного тропического климата, а также в сейсмологически нестабильных зонах с уровнем сейсмологической активности до 7 баллов.
Из чего состоят ребойлеры
Испаритель или ребойлер, имеющий в своей конструкции пространство для испарения пара – это кожухотрубчатый обменник, который состоит из 2 частей:
- непосредственно корпуса;
- набора трубок, который располагается внутри и состоит из теплообменных труб, имеющих U-образную форму.
В зависимости от требований, предъявляемых к кожухотрубчатым обменникам, конструкция аппаратов может быть модернизирована путем:
- оснащения испарительных аппаратов штуцерами;
- изменения расположения опор ребойлера;
- установки устройств с шарнирами, которые предназначены для дальнейшего крепления крышек распределительных камер.
Все эти виды модернизации выполняет ООО "НПО "Спецнефтемаш", занимающийся производством всевозможного испарительного оборудования.
Сотрудники завода ООО "НПО "Спецнефтемаш" за долгие годы работы, успели разработать надежные теплообменные аппараты с паровым пространством или испарители-ребойлеры, которые активно применяются в таких отраслях:
- нефтеперерабатывающей;
- нефтегазовой;
- химической;
- нефтехимической;
- газоперерабатывающей;
- металлургической;
- на предприятиях по производству минеральных удобрений;
- на сельскохозяйственных предприятиях.
В процессе производства аппаратов теплообменных с паровым пространством, на нашем заводе применяются различные вещества, выступающие в роли хладагента:
- аммиак;
- фреон.
Основными элементами теплообменников-ребойлеров являются:
- конденсатор;
- испаритель.
Именно от качества и надежности этих двух деталей и зависит работа всего аппарата. Поверхности конденсатора и испарителя выполняют функцию теплообмена, где с одной стороны находится хладагент и охлажденный объект, а с другой – окружающая среда и хладагент.
Все аппараты оснащены специальными регулирующими элементами – вентилями, которые обеспечивают необходимый уровень сечения, позволяющий формировать разряжение в процессе работы компрессора.
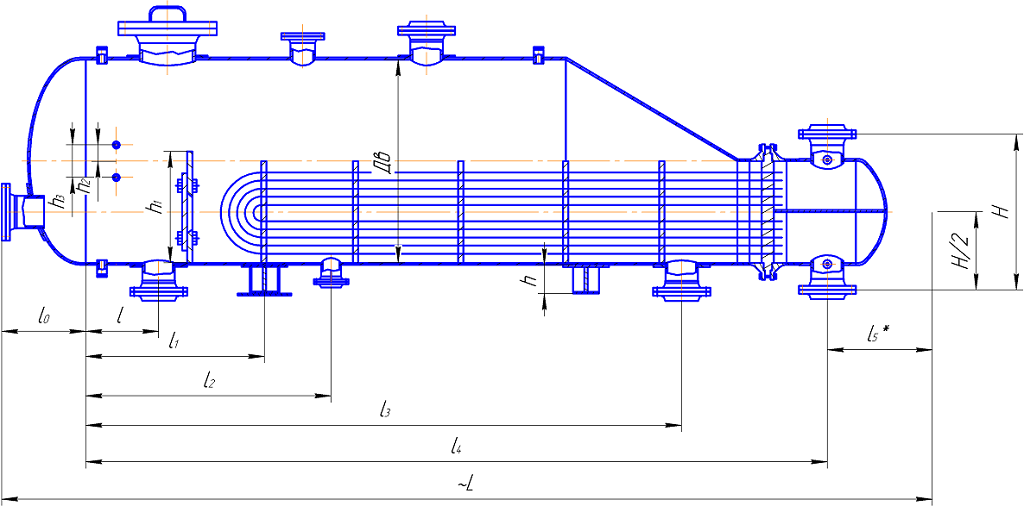
Чертеж испарителя - ребойлера
Изготовление испарителей - ребойлеров производится по чертежам, созданным на основании предварительных расчетов.
| Внутренний диаметр кожуха | Внутренний диаметр распределительной камеры | Давление, МПа | Н±6 | Н/2±3 | h±3 | h1 | h2 | h3 | ~L | l0 | l±3 | l1±3 | l2±3 | l3±3 | l4±5 | l*5 | А | Ду1 | Ду2 | Ду3 | Ду4 | |
|---|---|---|---|---|---|---|---|---|---|---|---|---|---|---|---|---|---|---|---|---|---|---|
| ИП | ИП | ИП | ||||||||||||||||||||
| В кожухе | В трубах | |||||||||||||||||||||
| 800 | 500*** | 1,6 | 884 | 442 | 616 | 565 | 245 | 370 | 8040 | 460 | 350 | 1200 | 1750 | 6390 | 7120 | 460 | 150 | 250 | 150 | 200 | 100 | |
| 2,5 | 4,0 | 8220 | 7210 | 550 | ||||||||||||||||||
| 1000 | 600*** | 1,6 | 2,5 | 984 | 492 | 716 | 665 | 8280 | 525 | 1450 | 6400 | 7205 | 550 | 200 | 300 | 200 | ||||||
| - | - | - | ||||||||||||||||||||
| 1200 | 700*** | 1,6 | 2,5 | 1088 | 544 | 816 | 765 | 325 | 670 | 8530 | 575 | 1200 | 6280 | 7335 | 620 | 250 | 350 | 250 | 250 | 150 | ||
| - | - | - | ||||||||||||||||||||
| 1400 | 800 | 1,6 | 2,5 | 1188 | 594 | 920 | 865 | 9020 | 630 | 6400 | 7690 | 700 | 300 | 400 | ||||||||
| - | - | - | ||||||||||||||||||||
| 1600 | 900 | 1,6 | 2,5 | 1332 | 666 | 1020 | 965 | 9200 | 705 | 1000 | 1550 | 6300 | 7735 | 760 | 350 | 500 | 300 | |||||
| - | - | - | ||||||||||||||||||||
| 1800 | 1000 | 1,6 | 2,5 | 1392 | 696 | 1124 | 1170 | 355 | 9490 | 760 | 400 | 6350 | 7950 | 780 | 400 | 250 | ||||||
| - | - | - | ||||||||||||||||||||
| 1100 | 1,6 | 2,5 | 1492 | 746 | 9540 | 1200 | 1750 | 6370 | 7940 | 840 | 350 | |||||||||||
| - | - | - | ||||||||||||||||||||
| 2000 | 1200 | 1,0 ** | 1,6 | 1694 | 847 | 1228 | 1300 | 9830 | 790 | 1600 | 1610 | 6560 | 8210 | 830 | 400 | 200 | ||||||
| 1,6 | ||||||||||||||||||||||
| - | 1238 | - | 8260 | - | ||||||||||||||||||
Расшифровка обозначений
При оформлении заказа, вы столкнетесь с необходимостью расшифровки обозначений, который зашифрованы в названии модели. Разберем обозначения на примере модели 1000 ИП-1,6-2,5-М1/25-6-2-У-И, где:
- 1000 – является показателем диаметра кожуха в мм.
- ИП – указывает на то, что этот испаритель имеет паровое пространство и плавающую головку. Также можно встретить обозначение ИУ, которое свидетельствует о наличии у аппарата У-образных труб.
- 1.6 – это условное давление, образующееся в кожухе. Измеряется в МПа.
- 2.5 – это условное давление в трубах, МПа.
- М1 – это материальное исполнение.
- 25 – показывает, что диаметр трубы теплообменника равен 25 мм.
- 6 – это общая длина теплообменных труб, исчисляющаяся в метрах.
- 2 – 2-х ходовой по трубному пространству.
- У – показатель климатического исполнения.
- И – свидетельствует о наличии деталей для закрепления теплоизоляционного слоя.
Где приобрести испарители-ребойлеры
Завод ООО "НПО "Спецнефтемаш" осуществляет реализацию испарителей, имеющих пространство для пара по самым низким ценам. Заказ напрямую у нашего завода гарантирует вам:
- низкую стоимость, без наценок от реализаторов;
- кратчайшие сроки изготовления;
- быструю доставку.
Чтобы оборудование выполняло все свои функции и прослужило не один год необходимо осуществить его правильный подбор с учетом всех технических характеристик предприятия. Специалисты нашего завода помогут подобрать оптимальный вариант оборудования, который будет подходить именно вашему производству, а также подготовят теплотехнические расчеты.
Заказать ребойлер в Лангепасе
Чтобы оформить заказ теплообменных аппаратов с паровым пространством можно выбрать один из удобных вам способов:
- Позвонить по номеру 8–800–3021–565. Звонок на территории РФ абсолютно бесплатный.
- Отправить запрос на адрес info@snmash.ru, после чего с вами свяжется наш сотрудник для уточнения деталей заказа.
- Заполнить форму на нашем сайте. После заполнения наш менеджер свяжется с вами в кротчайшие сроки.