marketing@snmash.ru
Задать вопрос
8-800-3021-565
заказать обратный звонок
+7 (8412) 45-06-86
+7 (499) 399-36-86
+7 (843) 245-16-86
время работы:
8.00 - 17.00
Лангепас
/
Каталог продукции
Мы работаем на всей территории СНГ
Резервуары РГСПД
Рейтинг 4.9/5 Основан на 2825 отзывах покупателей
Июнь 20, 2024
5/5 звезд
Лучшая компания на российском рынке по производству резервуарного оборудования, емкостных аппаратов и трубопроводной арматуры. Лучшая компания на российском рынке по производству резервуарного оборудования, емкостных аппаратов и трубопроводной арматуры. https://langepas.snmash.ru/production/rezervuarnoe-oborudovanie/rezervuary-rgspd.html Лучшая компания на российском рынке по производству резервуарного оборудования, емкостных аппаратов и трубопроводной арматуры.
Резервуары РГСПД от производителя. Назначение, технические характеристики. Цены. Телефон: 8-800-3021-565.
Резервуары РГСПД
Резервуары РГСПД от производителя. Назначение, технические характеристики. Цены. Телефон: 8-800-3021-565.
Резервуары РГСПД

Резервуары горизонтальные стальные двустенные (РГСПД)

  • РГСПД-2
  • РГСПД-2
  • РГСПД-2
  • РГСПД-2
  • РГСПД-2
Рабочая температура:
От 0 до 90 °C
Сейсмичность:
до 9 баллов
Производитель:
ООО "НПО "Спецнефтемаш"
Группа сосуда по ГОСТ 34347-2017
 

Страны доставки: Россия, Беларусь, Казахстан, Киргизия, Узбекистан, Таджикистан, Туркмения, Азербайджан

Типоразмеры в наличии:

РГСПД-2
РГСПД-3
РГСПД-5
РГСПД-10
РГСПД-15
РГСПД-25
РГСПД-30
РГСПД-35
РГСПД-40
РГСПД-45
РГСПД-50
РГСПД-60
РГСПД-75
РГСПД-100
 
 

Чтобы обеспечить безопасные условия хранения и удобства приема и раздачи нефтепродуктов и прочих жидких субстанций, устанавливают особые хранилища — подземные горизонтальные стальные двустенные резервуары РГСПД объемом от 5 до 100 кубометров. Такие емкости необходимы для работы нефтеналивных терминалов, автозаправочных станций и прочих предприятий. Двустенные подземные резервуары РГСПД предназначены для жидких продуктов, плотность которых не более 1 000 кг/м3.

Сфера использования

Основная область использования металлических хранилищ — размещение продуктов переработки нефти и газа, таких как ГСМ, топливо, масла и прочие. Безопасность хранения нефтепродуктов полностью обеспечивают стальные резервуары РГСПД цилиндрической формы. Существуют и специализированные емкости для конкретных жидкостей:

  • воды;
  • химикатов;
  • бензина, дизтоплива и других.

Такими металлическими хранилищами оснащают частные и муниципальные территории, чтобы обеспечить население водой в случае объявления чрезвычайной ситуации. В индустрии широко востребованы топливные резервуары — их приобретают предприятия, занимающиеся нефте- и газопереработкой.

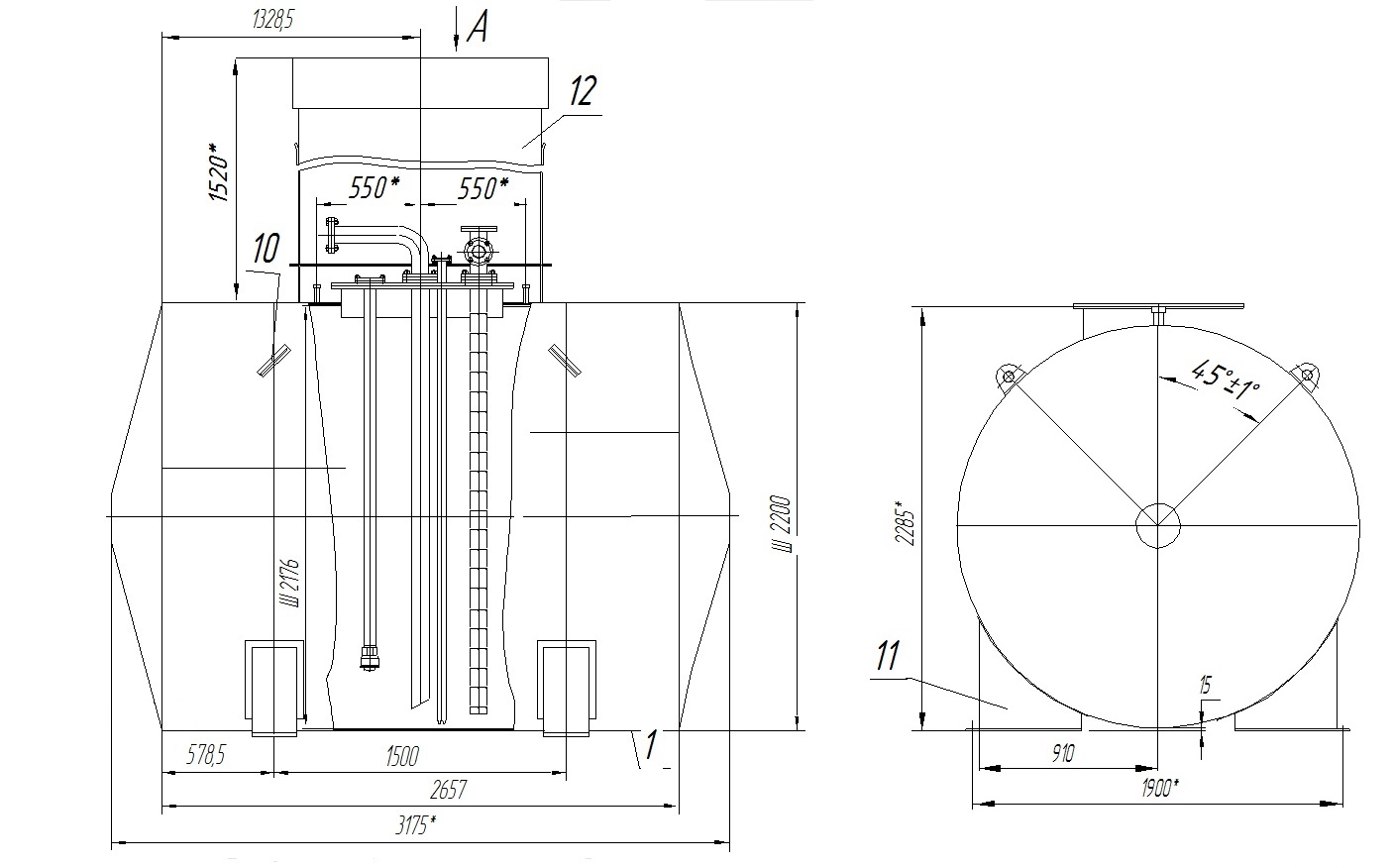
Конструкция двустенного резервуара

Двустенный резервуар РГСПД — это две отдельных емкости, размещенных одна в другой таким образом, чтобы между стенками оставался зазор от 4 мм, а пространство было герметичным и заполнено азотом (допустим другой инертный газ) или незамерзающей жидкостью (тосол, антифриз).

В процессе сборки двустенного цилиндрического корпуса используют стальные обечайки — специальные заготовки. Их стыкуют и сваривают автоматическим сварочным аппаратом. Затем с боков емкость закрывают коническими или плоскими днищами. В сечении корпус круглый или овальный.

Устройство

Стандартному резервуару присущи следующие особенности:

  • цилиндрическая форма;
  • горизонтальное расположение;
  • наличие:
    • люка с крышкой;
    • патрубков для закачки и выпуска жидкого содержимого.

С целью увеличения функциональности место хранения нефтепродуктов требуется дооснастить:

  • насосным оборудованием;
  • датчиками давления, уровня жидкости, температуры;
  • клапанами;
  • контрольно-сигнализирующими приборами.

Удобство доступа к люку повышают, осуществляя монтаж технологических площадок и лестниц. Внутренние стальные ребра жесткости предотвращают деформацию стенок при механическом воздействии.

Тип исполнения

По пространственной ориентации различают горизонтальные двустенные резервуары (РГСД) и вертикальные (РВСД). По способу установки рассматривают два типа — наземный и подземный (РГСПД).

Количество секций

Внутри стальную емкость делят на несколько герметичных секций, разделенных перегородками — одностенными или двустенными. Для доступа к каждой секции предназначены свои патрубки и люки. Такие многосекционные горизонтальные РГСПД используются на предприятиях, где необходимо в одном вместилище хранить разные жидкости.

Тип металла

Сырье для производства подземных хранилищ нефтепродуктов выбирают в зависимости от условий использования:

  • если минимальная температура воздуха зимой не опускается ниже –40 °C, выпуск изделий ведут из стали марки Ст3;
  • для эксплуатации на предприятиях Крайнего Севера, где столбик термометра часто уходит за пределы –40 °C, изделия изготавливают из стали марки 09Г2С.

Кроме климатического исполнения, есть и такой критерий, как агрессивность среды, которую помещают на хранение. Для воды, кислот, щелочей и прочих реагентов предназначены подземные резервуары из нержавеющей стали.

Конструктивные особенности и элементы

Три главных составных части горизонтального двустенного резервуара — корпус, крышка и опоры (основание). К ним добавляются смотровые площадки и лестницы, необходимость и конструкция которых зависят от способа монтажа хранилища. К другому оснащению причисляют следующие компоненты:

  • перепускные воздушные клапаны, позволяющие регулировать давление и предотвращать его значительное изменение при колебании температуры или пока осуществляется закачка или выпуск содержимого;
  • приборы, повышающие безопасность эксплуатации, — манометры, термометры, уровни, молниеотводы, контрольные датчики;
  • системы отопления (охлаждения), используемые с целью поддержания внутри вместилища заданной температуры;
  • кровля, тип которой — плавающая или стационарная — зависит от способа монтажа.

Дополнительное оснащение выбирают с учетом условий эксплуатации хранилища и вида содержимого.

Монтаж двухстенной емкости

С производственной площадке стальные горизонтальные двустенные резервуары РГСПД поставляются в собранном состоянии. В процессе изготовления изделия оснащают металлическими опорными конструкциями и приспособлениями для строповки, чтобы удобнее было грузить тяжелые конструкции и выполнять монтаж. Чтобы бак, установленный в котловане, не всплыл, его фиксируют к фундаменту металлическими хомутами — их можно заказать в комплекте поставки вместе с закладными.

Топливные емкости нуждаются в дополнительной защите от статических электроразрядов. С этой целью подземные металлические конструкции после монтажа необходимо заземлить, тогда образование искр можно полностью исключить.

Где в Москве приобрести резервуар РГСПД по ценам изготовителя с доставкой по России и СНГ

Производством стальных емкостей для хранения нефтепродуктов в Москве занимается ООО "НПО "Спецнефтемаш". Компания реализует изделия со склада без посредников. Чтобы купить горизонтальный подземный резервуар, узнать цену и сроки доставки, необходимо позвонить по телефону 8-800-3021-565 или отправить заявку, заполнив контактную форму на сайте. Менеджер офиса продаж проконсультирует по ассортименту продукции, климатическому исполнению хранилищ, стоимости отгрузки в регионы России и города СНГ силами предприятия, поможет заказать двустенный резервуар РГСПД по заданным характеристикам и условиям эксплуатации. Заказчик может получить всю интересующую его документацию на изделия: сертификаты соответствия, технический паспорт, свидетельство об изготовлении.

Запрос цены
Подписка на рассылку
Запрос цены
Заказать звонок
ООО НПО Спецнефтемаш
Производство резервуарного оборудования, емкостных аппаратов и трубопроводной арматуры

RU,
ул.Стрельбищенская, д. 60,
Пенза,
440023
Телефоны: +7 (800) 3021-565 +7 (8412) 45-06-86 +7 (8412) 45-06-83 +7 (499) 399-36-86 +7 (843) 245-16-86 +7 (3412) 77-11-86 +7 (3919) 27-08-86 +7 (3462) 982-086 +7 (3496) 450-686 +7 (4112) 258-886 +7 (3843) 602-886 +7 (391) 214-58-86 +7 (383) 375-48-86 +7 (3812) 378-586 +7 (342) 204-50-86 +7 (351) 377-11-86 +7 (3453) 528-086 +7 (861) 290-58-86 +7 (8512) 62-06-86 +7 (8442) 50-00-86 +7 (3532) 90-56-86 +7 (812) 931-73-44‬

https://snmash.ru/images/logo.svg

https://snmash.ru/images/logo.svg
от 3000 рублей до 2500000 рублей